TRZ

Anclaje autoperforante Zamac para placas de yeso

El anclaje autoperforante TRZ permite fijar rápidamente elementos sobre placas o bloques de yeso, además de sobre hormigón celular. Este anclaje se puede atornillar directamente a una placa de yeso simple o doble, con la cabeza a ras de la superficie. Después, se puede utilizar el anclaje con un tornillo para madera o acero de Ø3 a 4,5 mm.

El anclaje se coloca con una punta o un destornillador de estrella PH2

Acero cincado amarillo

Detalles de producto

Imagenes

Características

Materia

  • Anclaje: Zamak
  • Tornillos: acero electrocincado

Ventajas

  • No requiere perforación previa
  • También funciona en placas de yeso dobles

Aplicaciones

Aplicación

  • rastrel de madera
  • varilla
  • perfil metálico
  • canaleta

Soportes

  • Placa de yeso
  • Hormigón celular
  • Bloque de yeso
  • Panel (se debe comprobar la compatibilidad)

Datos técnicos

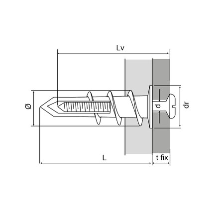
Dimensiones

Dimensiones

Modelo Product Reference Ø anclaje x Longitud [ØxL] [mm] Espesor pieza a fijar [tfix]. [mm] Profundidad de anclaje nominal* [hnom] [mm] Espesor mín. del soporte* [hmin] [mm] Ø tornillo [d] [mm] Longitud del tornillo [Lv] [mm] Ø cuello [dr] [mm] Recess Ctd por caja Ctd por embalaje Peso [kg]
7500601303000TRZ13x3010306043514PZ210020000.007

Los valores son para el montaje sobre un material compacto como el hormigón celular.

Instalación

Montaje

Paquetes ZIP

Comprar online

No items available.

Contact

Simpson Strong-Tie Spain SL

Simpson Strong-Tie Spain SL

Calle Carlos Jiménez Díaz, 17
Pol. Ind. La Garena
28806 Alcalá de Henares Madrid
España

Teléfono

Correo electrónico