TAN

Anclaje de nailon autoperforante para placas de yeso

El anclaje de nailon TAN está diseñado para que se fije en placas de yeso. Este anclaje se puede atornillar directamente a una placa de yeso simple o doble, con la cabeza a ras de la superficie. Después, se puede utilizar el anclaje con un tornillo para madera o acero de Ø3 a 4,5 mm.

El anclaje se coloca con una punta o un destornillador de estrella PH2.

Detalles de producto

Imagenes

Características

Ventajas

  • No requiere perforación previa
  • También funciona sobre placas de yeso dobles

Aplicaciones

Materia

  • Nailon

Aplicación

  • rastrel de madera
  • varilla
  • perfil metálico
  • canaleta

Soportes

  • Placa de yeso

Datos técnicos

Dimensiones

Dimensiones

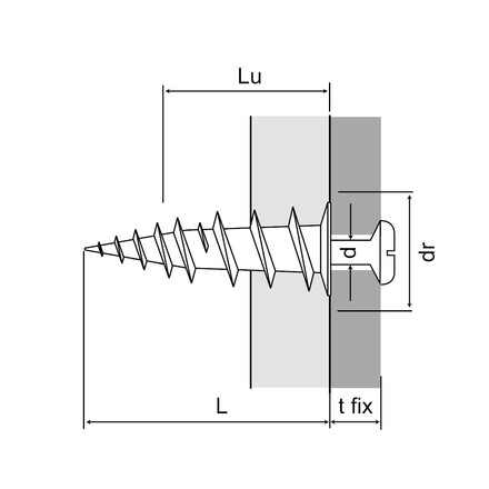
Modelo Product Reference Dimensiones [ØxL] [mm] Plug [Ø x L] Ø mini tornillo [d] [mm] Ø maxi tornillo [d] [mm] Ø cuello [dr] [mm] Longitud efectiva de la rosca [Lu]. [mm] Ctd por caja Ctd por embalaje Peso [kg]
6550501503500TANØ6.5x3515x3534.5142210010000.002

Longitud del tornillo Lv = Lu + tfix

El anclaje se instala con una punta/destornillador de estrella PH2

Instalación

Montaje

Paquetes ZIP

Comprar online

No items available.

Contact

Simpson Strong-Tie Spain SL

Simpson Strong-Tie Spain SL

Calle Carlos Jiménez Díaz, 17
Pol. Ind. La Garena
28806 Alcalá de Henares Madrid
España

Teléfono

Correo electrónico