FM-X5
Anclaje de nailon de largo flexible
El anclaje de nailon largo FM-X5 es perfecto para fijar elementos a cualquier tipo de soporte hueco o macizo, que necesite un ajuste manual durante el montaje, como marcos de puertas o ventanas.
El anclaje se suministra premontado con un tornillo de cabeza fresada o un tornillo de cabeza hexagonal.
Marcado CE
DITE
Clase de servicio 2
Acero electrocincado
Interior
Feu R 90
Fix Calc
Detalles de producto
Características
Materia
- Tornillos: acero electrocincado
- Anclaje: nailon
Ventajas
Ahorro de tiempo durante la instalación:
- Anclaje y tornillo premontados
- Colocar a través del elemento a fijar
- 8 aletas que evitan cualquier rotación dentro del agujero perforado
- Nailon flexible y par de apriete bajo, esto permite ajustar manualmente
- Anclaje en poliamida PA6 que garantiza una muy buena resistencia al envejecimiento
Aplicaciones
Aplicación
- Fijación de cabrios o rastreles
- Fijación de escuadras simples
- Fijación de elementos de carpintería,
- Fijación de carriles y abrazaderas para cables y tubos,
- Fijación de revestimientos delgados en fachadas.
Soportes
- Hormigón sin fisuras
- Hormigón celular,
- piedra natural,
- mampostería maciza y hueca.
Datos técnicos
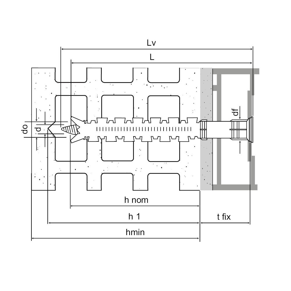
Dimensiones
| Modelo | Product Reference | Dimensiones [mm] | Espesor máx. pieza a fijar [tfix,max] [mm] | Profundidad mínima de perforación [h1] | Profundidad de anclaje nominal [hnom]. [mm] | Esp. míni. de soporte [hmin]. [mm] | Ø agujero pieza a fijar [df] [mm] | Ø tornillo [d] [mm] | Longitud del tornillo [Lv] [mm] | Boquilla | Ctd por caja | Ctd por embalaje |
|---|---|---|---|---|---|---|---|---|---|---|---|---|
| 64301B0808000 | FM-X5 | Ø8x80 | 10 | 80 | 70 | 120 | 8.5 | 6 | 85 | T30 | 100 | 1000 |
| 64301B0810000 | Ø8x100 | 30 | 80 | 70 | 120 | 8.5 | 6 | 105 | T30 | 50 | 500 | |
| 64301B0812000 | Ø8x120 | 50 | 80 | 70 | 120 | 8.5 | 6 | 125 | T30 | 50 | 500 | |
| 64301B0815000 | Ø8x150 | 80 | 80 | 70 | 120 | 8.5 | 6 | 155 | T30 | 50 | - | |
| 64301B1008500 | Ø10x85 | 15 | 80 | 70 | 120 | 10.5 | 7 | 90 | T40 | 50 | 500 | |
| 64301B1010000 | Ø10x100 | 30 | 80 | 70 | 120 | 10.5 | 7 | 105 | T40 | 50 | 500 | |
| 64301B1011500 | Ø10x115 | 45 | 80 | 70 | 120 | 10.5 | 7 | 120 | T40 | 50 | 500 | |
| 64301B1013500 | Ø10x135 | 65 | 80 | 70 | 120 | 10.5 | 7 | 140 | T40 | 50 | 200 | |
| 64301B1016000 | Ø10x160 | 90 | 80 | 70 | 120 | 10.5 | 7 | 165 | T40 | 50 | - | |
| 64301B1020000 | Ø10x200 | 130 | 80 | 70 | 120 | 10.5 | 7 | 205 | T40 | 50 | - | |
| 64301B1023000 | Ø10x230 | 160 | 80 | 70 | 120 | 10.5 | 7 | 235 | T40 | 50 | - |
* placa de yeso incluida
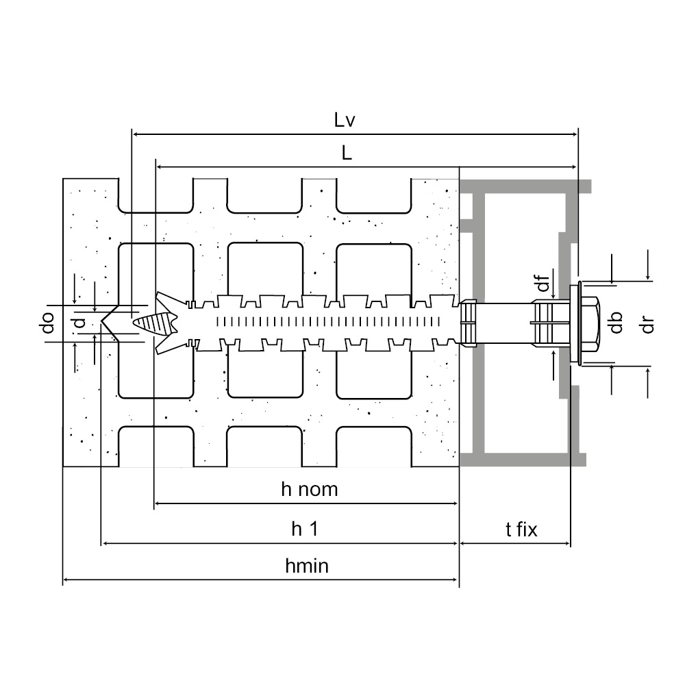
Dimensiones anclaje con tornillo de cabeza hexagonal
| Modelo | Product Reference | Dimensiones [mm] | Espesor máx. pieza a fijar [tfix,max] [mm] | Profundidad mínima de perforación [h1] | Profundidad de anclaje nominal [hnom]. [mm] | Esp. míni. de soporte [hmin]. [mm] | Ø agujero pieza a fijar [df] [mm] | Ø arandela [df] [mm] | Ø tornillo [d] [mm] | Longitud del tornillo [Lv] [mm] | Llave SW [SW] [mm] | Boquilla | Ctd por caja | Ctd por embalaje |
|---|---|---|---|---|---|---|---|---|---|---|---|---|---|---|
| 64302B0808000 | FM-X5 | Ø8x80 | 10 | - | - | - | - | 15 | 6 | 85 | 10 | T30 | 100 | 10000 |
| 64302B0810000 | Ø8x100 | 30 | 80 | 70 | 120 | 8.5 | 15 | 6 | 105 | 10 | T30 | 50 | 500 | |
| 64302B0812000 | Ø8x120 | 50 | 80 | 70 | 120 | 8.5 | 15 | 6 | 125 | 10 | T30 | 50 | 500 | |
| 64302B0815000 | Ø8x150 | 80 | 80 | 70 | 120 | 8.5 | 15 | 6 | 155 | 10 | T30 | 50 | - | |
| 64302B1008500 | Ø10x85 | 15 | 80 | 70 | 120 | 10.5 | 19 | 7 | 90 | 13 | T40 | 50 | 500 | |
| 64302B1010000 | Ø10x100 | 30 | 80 | 70 | 120 | 10.5 | 19 | 7 | 105 | 13 | T40 | 50 | 500 | |
| 64302B1011500 | Ø10x115 | 45 | 80 | 70 | 120 | 10.5 | 19 | 7 | 120 | 13 | T40 | 50 | 500 | |
| 64302B1013500 | Ø10x135 | 65 | 80 | 70 | 120 | 10.5 | 19 | 7 | 140 | 13 | T40 | 50 | 200 |
* placa de yeso incluida
Design capacities - single anchor - no edge distances
| Modelo | Design capacities - single anchor - no edge distances | ||||||||||||
|---|---|---|---|---|---|---|---|---|---|---|---|---|---|
| Product Reference | Dimensiones [mm] | Design capacity | |||||||||||
| Tension - NRd | Shear - VRd | Bending moment MRd [Nm] | |||||||||||
| Non-cracked concrete C12/15 [kN] | Non-cracked concrete C16/20 [kN] | Autoclaved aerated concrete AAC [kN] | Solid brick [kN] | Hollow brick Alveolater | Non-cracked concrete C12/15 [kN] | Non-cracked concrete C16/20 [kN] | Autoclaved aerated concrete AAC [kN] | Solid brick [kN] | Hollow brick Alveolater | ||||
| 64301B0808000 | FM-X5 | Ø8x80 | 0.8 | 1.4 | 0.3 | 1.4 | 0.6 | 0.8 | 1.4 | 0.3 | 1.4 | 0.6 | 7 |
| 64301B0810000 | FM-X5 | Ø8x100 | 0.8 | 1.4 | 0.3 | 1.4 | 0.6 | 0.8 | 1.4 | 0.3 | 1.4 | 0.6 | 7 |
| 64301B0812000 | FM-X5 | Ø8x120 | 0.8 | 1.4 | 0.3 | 1.4 | 0.6 | 0.8 | 1.4 | 0.3 | 1.4 | 0.6 | 7 |
| 64301B0815000 | FM-X5 | Ø8x150 | 0.8 | 1.4 | 0.3 | 1.4 | 0.6 | 0.8 | 1.4 | 0.3 | 1.4 | 0.6 | 7 |
| 64301B1008500 | FM-X5 | Ø10x85 | 1.4 | 1.9 | 0.3 | 1.4 | 0.6 | 1.4 | 1.9 | 0.3 | 1.4 | 0.6 | 13.47 |
| 64301B1010000 | FM-X5 | Ø10x100 | 1.4 | 1.9 | 0.3 | 1.4 | 0.6 | 1.4 | 1.9 | 0.3 | 1.4 | 0.6 | 13.47 |
| 64301B1011500 | FM-X5 | Ø10x115 | 1.4 | 1.9 | 0.3 | 1.4 | 0.6 | 1.4 | 1.9 | 0.3 | 1.4 | 0.6 | 13.47 |
| 64301B1013500 | FM-X5 | Ø10x135 | 1.4 | 1.9 | 0.3 | 1.4 | 0.6 | 1.4 | 1.9 | 0.3 | 1.4 | 0.6 | 13.47 |
| 64301B1016000 | FM-X5 | Ø10x160 | 1.4 | 1.9 | 0.3 | 1.4 | 0.6 | 1.4 | 1.9 | 0.3 | 1.4 | 0.6 | 13.47 |
| 64301B1020000 | FM-X5 | Ø10x200 | 1.4 | 1.9 | 0.3 | 1.4 | 0.6 | 1.4 | 1.9 | 0.3 | 1.4 | 0.6 | 13.47 |
| 64301B1023000 | FM-X5 | Ø10x230 | 1.4 | 1.9 | 0.3 | 1.4 | 0.6 | 1.4 | 1.9 | 0.3 | 1.4 | 0.6 | 13.47 |
| 64302B0810000 | FM-X5 | Ø8x100 | 0.8 | 1.4 | 0.3 | 1.4 | 0.6 | 0.8 | 1.4 | 0.3 | 1.4 | 0.6 | 7 |
| 64302B0812000 | FM-X5 | Ø8x120 | 0.8 | 1.4 | 0.3 | 1.4 | 0.6 | 0.8 | 1.4 | 0.3 | 1.4 | 0.6 | 7 |
| 64302B0815000 | FM-X5 | Ø8x150 | 0.8 | 1.4 | 0.3 | 1.4 | 0.6 | 0.8 | 1.4 | 0.3 | 1.4 | 0.6 | 7 |
| 64302B1008500 | FM-X5 | Ø10x85 | 1.4 | 1.9 | 0.3 | 1.4 | 0.6 | 1.4 | 1.9 | 0.3 | 1.4 | 0.6 | 13.47 |
| 64302B1010000 | FM-X5 | Ø10x100 | 1.4 | 1.9 | 0.3 | 1.4 | 0.6 | 1.4 | 1.9 | 0.3 | 1.4 | 0.6 | 13.47 |
| 64302B1011500 | FM-X5 | Ø10x115 | 1.4 | 1.9 | 0.3 | 1.4 | 0.6 | 1.4 | 1.9 | 0.3 | 1.4 | 0.6 | 13.47 |
| 64302B1013500 | FM-X5 | Ø10x135 | 1.4 | 1.9 | 0.3 | 1.4 | 0.6 | 1.4 | 1.9 | 0.3 | 1.4 | 0.6 | 13.47 |
Instalación
Montaje
Spacings and edge distances
| Modelo | Product Reference | Dimensiones [mm] | Spacings and edge distances | |||||||||||||
|---|---|---|---|---|---|---|---|---|---|---|---|---|---|---|---|---|
| Non-cracked concrete C12/15 | Non-cracked concrete C16/20 | Autoclaved aerated concrete AAC | Solid brick | |||||||||||||
| Min. edge distance [cmin] [mm] | Min. spacing [smin] [mm] | Characteristic edge distance [ccr,N] [mm] | Minimun thickness of support [hmin] [mm] | Min. edge distance [cmin] [mm] | Min. spacing [smin] [mm] | Characteristic edge distance [ccr,N] [mm] | Minimun thickness of support [hmin] [mm] | Min. edge distance [cmin] [mm] | Min. spacing [smin] [mm] | Minimun thickness of support [hmin] [mm] | Min. edge distance [cmin] [mm] | Min. spacing [smin] [mm] | Minimun thickness of support [hmin] [mm] | |||
| 64301B0808000 | FM-X5 | Ø8x80 | 80 | 80 | 140 | 100 | 60 | 60 | 100 | 100 | 100 | 250 | 200 | 100 | 250 | 110 |
| 64301B0810000 | FM-X5 | Ø8x100 | 80 | 80 | 140 | 100 | 60 | 60 | 100 | 100 | 100 | 250 | 200 | 100 | 250 | 110 |
| 64301B0812000 | FM-X5 | Ø8x120 | 80 | 80 | 140 | 100 | 60 | 60 | 100 | 100 | 100 | 250 | 200 | 100 | 250 | 110 |
| 64301B0815000 | FM-X5 | Ø8x150 | 80 | 80 | 140 | 100 | 60 | 60 | 100 | 100 | 100 | 250 | 200 | 100 | 250 | 110 |
| 64301B1008500 | FM-X5 | Ø10x85 | 80 | 80 | 140 | 100 | 60 | 60 | 100 | 100 | 100 | 250 | 200 | 100 | 250 | 110 |
| 64301B1010000 | FM-X5 | Ø10x100 | 80 | 80 | 140 | 100 | 60 | 60 | 100 | 100 | 100 | 250 | 200 | 100 | 250 | 110 |
| 64301B1011500 | FM-X5 | Ø10x115 | 80 | 80 | 140 | 100 | 60 | 60 | 100 | 100 | 100 | 250 | 200 | 100 | 250 | 110 |
| 64301B1013500 | FM-X5 | Ø10x135 | 80 | 80 | 140 | 100 | 60 | 60 | 100 | 100 | 100 | 250 | 200 | 100 | 250 | 110 |
| 64301B1016000 | FM-X5 | Ø10x160 | 80 | 80 | 140 | 100 | 60 | 60 | 100 | 100 | 100 | 250 | 200 | 100 | 250 | 110 |
| 64301B1020000 | FM-X5 | Ø10x200 | 80 | 80 | 140 | 100 | 60 | 60 | 100 | 100 | 100 | 250 | 200 | 100 | 250 | 110 |
| 64301B1023000 | FM-X5 | Ø10x230 | 80 | 80 | 140 | 100 | 60 | 60 | 100 | 100 | 100 | 250 | 200 | 100 | 250 | 110 |
| 64302B0810000 | FM-X5 | Ø8x100 | 80 | 80 | 140 | 100 | 60 | 60 | 100 | 100 | 100 | 250 | 200 | 100 | 250 | 110 |
| 64302B0812000 | FM-X5 | Ø8x120 | 80 | 80 | 140 | 100 | 60 | 60 | 100 | 100 | 100 | 250 | 200 | 100 | 250 | 110 |
| 64302B0815000 | FM-X5 | Ø8x150 | 80 | 80 | 140 | 100 | 60 | 60 | 100 | 100 | 100 | 250 | 200 | 100 | 250 | 110 |
| 64302B1008500 | FM-X5 | Ø10x85 | 80 | 80 | 140 | 100 | 60 | 60 | 100 | 100 | 100 | 250 | 200 | 100 | 250 | 110 |
| 64302B1010000 | FM-X5 | Ø10x100 | 80 | 80 | 140 | 100 | 60 | 60 | 100 | 100 | 100 | 250 | 200 | 100 | 250 | 110 |
| 64302B1011500 | FM-X5 | Ø10x115 | 80 | 80 | 140 | 100 | 60 | 60 | 100 | 100 | 100 | 250 | 200 | 100 | 250 | 110 |
| 64302B1013500 | FM-X5 | Ø10x135 | 80 | 80 | 140 | 100 | 60 | 60 | 100 | 100 | 100 | 250 | 200 | 100 | 250 | 110 |
Installation data
| Modelo | Product Reference | Dimensiones [mm] | Installation data | |||
|---|---|---|---|---|---|---|
| Ø drilling hole [d0] [mm] | Min. drill depth [h1] [mm] | Ø drilling fixture [df] [mm] | Wrench size [SW] [mm] | |||
| 64301B0808000 | FM-X5 | Ø8x80 | 8 | 80 | 8.5 | - |
| 64301B0810000 | FM-X5 | Ø8x100 | 8 | 80 | 8.5 | - |
| 64301B0812000 | FM-X5 | Ø8x120 | 8 | 80 | 8.5 | - |
| 64301B0815000 | FM-X5 | Ø8x150 | 8 | 80 | 8.5 | - |
| 64301B1008500 | FM-X5 | Ø10x85 | 10 | 80 | 10.5 | - |
| 64301B1010000 | FM-X5 | Ø10x100 | 10 | 80 | 10.5 | - |
| 64301B1011500 | FM-X5 | Ø10x115 | 10 | 80 | 10.5 | - |
| 64301B1013500 | FM-X5 | Ø10x135 | 10 | 80 | 10.5 | - |
| 64301B1016000 | FM-X5 | Ø10x160 | 10 | 80 | 10.5 | - |
| 64301B1020000 | FM-X5 | Ø10x200 | 10 | 80 | 10.5 | - |
| 64301B1023000 | FM-X5 | Ø10x230 | 10 | 80 | 8.5 | - |
| 64302B0810000 | FM-X5 | Ø8x100 | 8 | 80 | 8.5 | 10 |
| 64302B0812000 | FM-X5 | Ø8x120 | 8 | 80 | 8.5 | 10 |
| 64302B0815000 | FM-X5 | Ø8x150 | 8 | 80 | 8.5 | 10 |
| 64302B1008500 | FM-X5 | Ø10x85 | 10 | 80 | 10.5 | 13 |
| 64302B1010000 | FM-X5 | Ø10x100 | 10 | 80 | 10.5 | 13 |
| 64302B1011500 | FM-X5 | Ø10x115 | 10 | 80 | 10.5 | 13 |
| 64302B1013500 | FM-X5 | Ø10x135 | 10 | 80 | 10.5 | 13 |
Certificación
Declaración de prestaciones (DoP)
es-fm-x5-07-f.pdf
(227.74 KB)
Idoneidad Técnica Europeo (ETA)
fm-x5-eta-10-0425-en-2024-03-13.pdf
(987.52 KB)