X3 A4

Anclaje de nailon largo de alto rendimiento - Inox A4

El anclaje de nailon largo X3 A4 permite la fijación de elementos delgados o gruesos, con 3 profundidades de anclaje posibles por longitud, sobre cualquier tipo de soporte macizo o hueco. 

La expansión del anclaje es uniforme en todas las direcciones y, por ello, tiene un rendimiento excepcional. 

El anclaje se suministra con un tornillo de cabeza hexagonal o fresada.

Marcado CE
DITE
Clase de servicio 3
Acero inoxidable A4
Severo
Feu R 90
Fix Calc

Detalles de producto

Imagenes

Características

Materia

  • Anclaje: nylon gris
  • Tornillo: acero inoxidable A4

Ventajas

  • Gran resistencia sobre cualquier tipo de material de soporte
  • 3 profundidades de anclaje posibles por longitud de anclaje
  • Gran flexibilidad, tiempo de montaje reducido: el anclaje puede montarse a través del elemento a fijar. En el caso de un montaje con profundidad de anclaje reducida, el tiempo de perforación también se reduce.
  • Expansión mejorada
  • Diseñado para fijar elementos de estructura y fachada añadida

Aplicaciones

Aplicación

  • Estructura de madera o metal
  • Fachada añadida, aislamiento exterior:
  • Cabrio sobre muro
  • Escuadra para revestimientos sobre muro

Soportes

  • Hormigón no fisurado,
  • Mampostería maciza o hueca

Datos técnicos

Dimensiones

Dimensiones

Modelo Product Reference Anclaje [ØxL] [mm] Tornillo [ØxL] [mm] Espesor a fijar para profundidad de anclaje estándar [tfix]. [mm] Espesor a fijar para profundidad de anclaje estándar [tfix]. [mm] Espesor a fijar para profundidad máxima de anclaje [tfix]. [mm] Cabeza Ctd por caja Ctd por embalaje
6460200808000X3 A48x806x884030-T3050500
6460200812000X3 A48x1206x1288070-T3050500

* solo para hormigón celular

Design capacities - single anchor - no edge distances

Modelo Design capacities - single anchor - no edge distances
Design capacity
Tension - NRd Shear - VRd Bending moment - MRd [Nm]
Non-cracked concrete C12/15 [kN] Non-cracked concrete C16/20 [kN] Autoclaved aerated concrete AAC 2 [kN] Solid brick (BP400) [kN] Non-cracked concrete C12/15 [kN] Non-cracked concrete C16/20 [kN] Autoclaved aerated concrete AAC 2 [kN] Solid brick (BP400) [kN]
64602008080000.650.83-1.4----8.3
64602008120000.650.83-1.4----8.3

Instalación

Montaje

Spacings and edge distances

Modelo Product Reference Anclaje [ØxL] [mm] Spacing and  Edge Distance 
Non-cracked concrete C12/15 Non-cracked concrete C16/20 Autoclaved aerated concrete AAC 2 [scr,N] [mm] Solid brick (BP400) [Tinst] [Nm]
Min. edge distance Min. spacing [kN] Characteristic edge distance [kN] Minimun thickness of support [Nm] Min.edge distance  [kN] Characteristic edge distance [kN] Min.spacing [kN] Minimun thichness of support  [kN] Min. edge distance [cmin] [mm] Min. spacing [smin] [mm] Characteristic edge distance  [kN] Minimun thickness of support [ccr,N] [mm] Min.edge distance  [ccr,N] [mm] Min.spacing [hef] [mm] Characteristic edge distance  [scr,N] [mm] Minimun thickness of support [hmin] [mm]
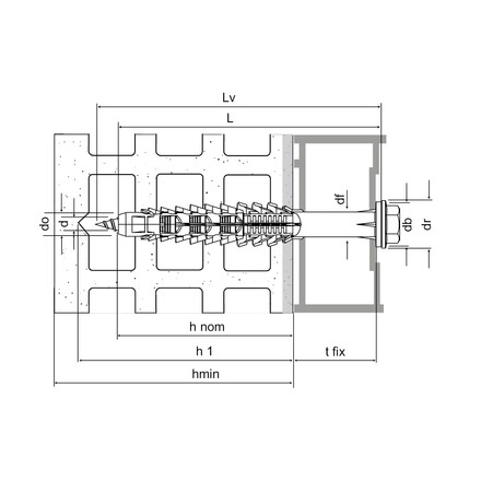
6460200808000X3 A48x80708585100506060100100250-240100250-175
6460200812000X3 A48x120708585100506060100100250-240100250-175

Installation data

Modelo Installation data
Min. drill depth [h1] [mm] Ø drilling fixture [df] [mm] Ø drilling hole [d0] [mm]
6460200808000558.58
6460200812000558.58

Certificación

Declaración de prestaciones (DoP)

es-x3-02-f.pdf (225.72 KB)

Idoneidad Técnica Europeo (ETA)

Descarga

Paquetes ZIP

Comprar online

No items available.

Contact

Simpson Strong-Tie Spain SL

Simpson Strong-Tie Spain SL

Calle Carlos Jiménez Díaz, 17
Pol. Ind. La Garena
28806 Alcalá de Henares Madrid
España

Teléfono

Correo electrónico