TSA-PATTEN

Anclaje metálico hembra para carga pesada opción n.º 7

El anclaje metálico TSA-PATTEN con manguito sirve para fijar elementos no estructurales sobre un soporte macizo, su montaje es sencillo y rápido gracias a una expansión que requiere bajo par de atornillado.

Clase de servicio 2
Acero electrocincado
Interior

Detalles de producto

Imagenes

Características

Materia

  • Acero electrocincado

Ventajas

  • Expansión uniforme del manguito gracias a los 3 segmentos de expansión fabricados con una única pieza de acero
  • La forma especial de los 3 segmentos de expansión permite apretar el elemento que se fijará en el soporte durante la expansión 

Aplicaciones

Aplicación

  • Carpintería metálica
  • Barandillas
  • Puertas de garaje
  • Paneles metálicos
  • Equipamientos diversos

Soportes

  • Hormigón sin agrietar
  • Piedra
  • Ladrillo macizo (compatibilidad por comprobar)

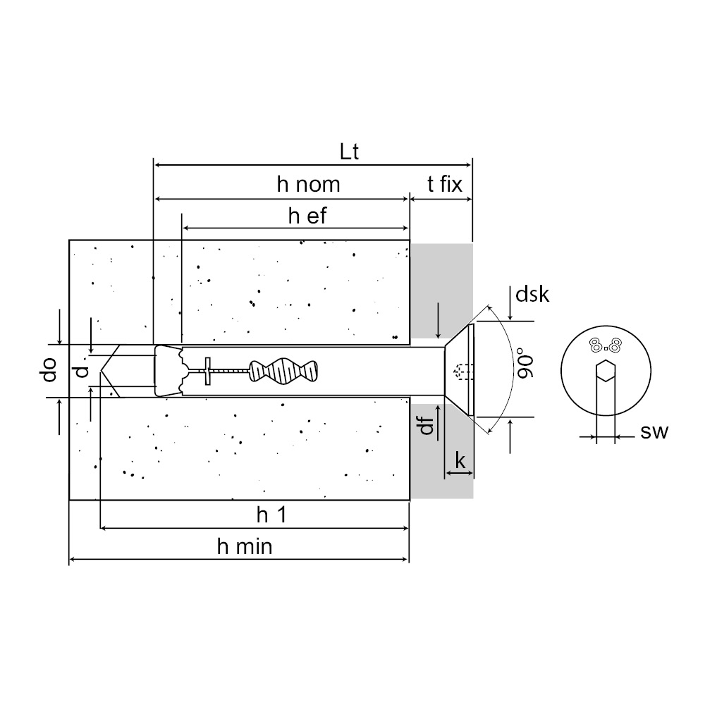
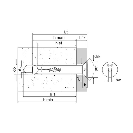
Datos técnicos

Dimensiones clavija con tornillos de cabeza hexagonal

Modelo Product Reference Ø agujero x esp.de la pieza a fijar [doxtfix]. [mm] Plug [Ø x L] Fixing thickness [max] Ø tornillos [d] [mm] Profundidad mínima de perforación [h1] [mm] Profundidad de anclaje nominal [hnom] [mm] Profundidad de anclaje mínima [hef]. [mm] Ø agujeros pieza a fijar [df] [mm] Esp. mín. de soporte [hmin]. [mm] Par de montaje [Tinst] [Nm] Llave SW [SW] Longitud total [Lt] [mm] Ctd por caja Ctd por embalaje
79602B0804500TSA-PATTEN8/088x458M650362310100710491001000
79602B08060008/238x6023M65036231010071064100800
79602B08080008/438x8043M6503623101007108450500
79602B08100008/638x10063M65036231010071010450400
79602B100600010/1510x6015M86043311210015136550400
79602B100800010/3510x8035M86043311210015138550300
79602B101000010/5510x10055M860433112100151310525250
79602B101200010/7510x12075M860433112100151312520200
79602B101400010/9510x14095M860433112100151314520240
79602B120700012/1712x7017M106550361410030177650200
79602B121000012/4712x10047M1065503614100301710625200
79602B121300012/7712x13077M1065503614100301713620120

Dimensiones clavija con tornillos de cabeza fresada

Table "Dimensiones clavija con tornillos de cabeza fresada" cannot be displayed : no references available.

Dimensiones

Table "Dimensiones" cannot be displayed : no references available.

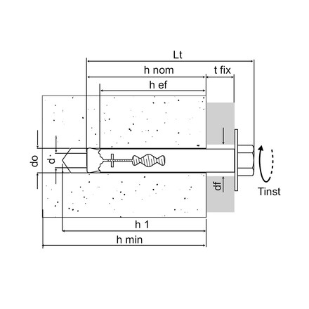
Instalación

Montaje

Paquetes ZIP

Comprar online

No items available.

Contact

Simpson Strong-Tie Spain SL

Simpson Strong-Tie Spain SL

Calle Carlos Jiménez Díaz, 17
Pol. Ind. La Garena
28806 Alcalá de Henares Madrid
España

Teléfono

Correo electrónico