Conector para fachadas con estructura de madera
El sistema FOB está diseñado para unir paredes de fachada de madera a una estructura portante, permitiendo la deformación relativa de los materiales entre sí (asentamiento diferencial y contracción-expansión).
La solución consta de dos partes:
- el BFOB, que une la parte inferior de la pared de madera al soporte,
- el TFOB, que une la parte superior de la pared de madera al BFOB superior.
BFOB es lo suficientemente rígido como para permitir un espacio entre la pared y el borde del soporte para las capas de aislamiento.
Esta solución se ha desarrollado en colaboración con Bouygues Construction IDF (patente en trámite 2513058, 07/11/2025).
Detalles de producto
Características
Materia
- Acero S235JR galvanizado en caliente de 55 µm (TFOBG & BFOBG) o recubrimiento Sherard de 30 µm (TFOBSH y BFOBSH)
Ventajas
- Sistema de dos componentes que permite las deformaciones relativas de los materiales en el plano de la fachada y que, además, transmite las cargas de la fachada al soporte.
- Permite dejar un espacio libre entre la pared y el hormigón para la capa de aislamiento (40mm max).
- Conector de perfil bajo que puede ocultarse entre las capas del suelo.
Aplicaciones
Adecuado para
- Elemento portante: CLT, hormigón, acero, etc.
- Elemento apoyado: madera
Dónde utilizarlo
- Fachadas con estructura de madera sobre estructura de hormigón
Datos técnicos
Otros datos técnicos
Cuando se utiliza BFOB junto con TFOB, se supone que las cargas horizontales (F1 y F2/3) se transmiten por igual a través de los travesaños de madera superior e inferior.
La carga vertical F4 se transmite únicamente a través de BFOB, y el módulo de deslizamiento k4.ser para F4 corresponde al desplazamiento en el centro del travesaño de madera en contacto con BFOB.
El soporte de hormigón deberá reforzarse para soportar la carga de compresión cerca del borde. A carga máxima, se considera que el área efectiva de compresión del hormigón se encuentra a 30 mm del borde.
*Para todas las configuraciones, el usuario deberá comprobar la capacidad del par de anclajes, sometidos a cargas de 1*F1, 1*F2/3 y 1*F4, aplicadas en el centro del par de anclajes.
Se supone que el desplazamiento adicional del umbral de madera debido al desplazamiento del anclaje es igual al desplazamiento real del anclaje y se añadirá a la deflexión de los conectores. Por lo tanto, el módulo de deslizamiento de la conexión global es kser = 1 / (1/kser.conector + 1/kser.anclaje)
Por ejemplo, con FM-753 CRACK M12 y una profundidad de empotramiento de 72 mm, el módulo de deslizamiento global de la conexión es de 4,59 kN/mm.
Dimensiones
| Modelo | Dimensiones del producto [mm] | Orificios de la brida A | Orificios de la brida B | ||||||||
|---|---|---|---|---|---|---|---|---|---|---|---|
| A | B | C | t1 | t2 | Ø5 [mm] | Ø5x20 [mm] | ∅5x25 | Ø35 [mm] | Ø14 [mm] | Ø14x30 [mm] | |
| BFOB | 50 | 260 | 210 | 10 | 5 | 4 | 4 | - | 1 | 2 | 2 |
| TFOB | 110 | 120 | 170 | 5 | 3.2 | 4 | - | 8 | - | - | - |
Capacidades características del producto - Madera sobre hormigón - Esquema de fijación 1
| Modelo | Capacidades del producto - Madera sobre hormigón - Esquema de fijación 1 | ||||||||||||
|---|---|---|---|---|---|---|---|---|---|---|---|---|---|
| Elementos de fijación | Capacidades características - Madera C24 [kN] | Módulo de deslizamiento [kN/mm] | |||||||||||
| BFOB - Brida A sobre soporte | BFOB - Brida B sobre madera | TFOB - Brida A sobre madera | R1.k para umbral de madera de 45 x L | R2.k = R3.k | R4.k | k1.ser [kN/mm] | k4.ser | ||||||
| Cantidad | Tipo | Cantidad | Tipo | Cantidad | Tipo | 140≤L≤145 mm | 150≤L≤220 mm | 140≤L≤145 mm | 150≤L≤220 mm | ||||
| BFOB | 2 | Ø12* | 4 | CSA5.0X80 | - | - | 8.6 | 6.1 | - | 17,9 / kmod | - | 4.83 | 3.85 |
| BFOB + TFOB | 2 | Ø12* | 4 | CSA5.0X80 | 8 | CSA5.0X40 | 17.3 | 12.1 | - | 17,9 / kmod | 16.9 | 4.83 | 3.85 |
Capacidades características del producto - Madera sobre hormigón - Esquema de fijación 2
| Modelo | Capacidades del producto - Madera sobre hormigón - Esquema de fijación 2 | |||||||||||||
|---|---|---|---|---|---|---|---|---|---|---|---|---|---|---|
| Elementos de fijación | Capacidades características - Madera C24 [kN] | Módulo de deslizamiento [kN/mm] | ||||||||||||
| BFOB - Brida A sobre soporte | BFOB - Brida B sobre madera | TFOB - Brida A sobre madera | R1.k para umbral de madera de 45 x L | R2.k = R3.k | R4.k | k1.ser [kN/mm] | k2.ser = k3.ser [kN/mm] | k4.ser | ||||||
| Cantidad | Tipo | Cantidad | Tipo | Cantidad | Tipo | 140≤L≤145 mm | 150≤L≤220 mm | 140≤L≤145 mm | 150≤L≤220 mm | |||||
| BFOB | 2 | Ø12* | 4 | CSA5.0X80 | - | - | 10.9 | 7.4 | 8.5 | 17,9 / kmod | - | - | 4.83 | 3.85 |
| BFOB + TFOB | 2 | Ø12* | 4 | CSA5.0X80 | 12 | CSA5.0X40 | 21.9 | 14 | 9.2 | 17,9 / kmod | 16.9 | 10.7 | 4.83 | 3.85 |
Capacidades características del producto - Madera sobre hormigón - Esquema de fijación 3
| Modelo | Capacidades del producto - Madera sobre hormigón - Esquema de fijación 3 | |||||||||||||
|---|---|---|---|---|---|---|---|---|---|---|---|---|---|---|
| Elementos de fijación | Capacidades características - Madera C24 [kN] | Módulo de deslizamiento | ||||||||||||
| BFOB - Brida A sobre soporte | BFOB - Brida B sobre madera | TFOB - Brida A sobre madera | R1.k para umbral de madera de 45 x L | R2.k = R3.k | R4.k | k1.ser | k2.ser = k3.ser | k4.ser | ||||||
| Cantidad | Tipo | Cantidad | Tipo | Cantidad | Tipo | 140≤L≤145 mm | 150≤L≤220 mm | 140≤L≤145 mm | 150≤L≤220 mm | |||||
| BFOB | 2 | Ø12* | 4 | CSA5.0X80 | - | - | 10.9 | 7.4 | 8.5 | 17,9 / kmod | - | - | 4.83 | 3.85 |
| BFOB + TFOB | 2 | Ø12* | 4 | CSA5.0X80 | 4 | CSA5.0X40 | 8.7 | 8.6 | 9.2 | 17,9 / kmod | - | - | 4.83 | 3.85 |
Instalación
Montaje
Elementos de fijación
Sobre madera:
- Tornillos CSA
En hormigón:
- Anclaje mecánico: FM-753 Crack 3DG M12x110
- Anclaje químico: Resina KEM-HP + varilla roscada LMAS M12-150/35
Instalación
- En la parte superior de la pared de madera, antes de elevar la pared, fije varios TFOB con tornillos CSA en el travesaño superior de madera (consulte los esquemas de fijación). Utilice los orificios alargados de los conectores laterales y los orificios circulares del conector central.
- En la primera planta, coloque los BFOB sobre la losa de hormigón o la estructura de acero, taladre los orificios e instale pernos de anclaje para fijar la placa del BFOB (2 anclajes por placa).
- Eleve la pared de madera y colóquela sobre varios BFOB; a continuación, fíjela con tornillos CSA (compruebe los patrones de fijación). Utilice los orificios oblongos en los conectores laterales y los orificios circulares para el conector central.
- En el nivel superior, coloque otros BFOB sobre los TFOB que se encuentran en la parte superior de la pared; fije estos BFOB a la losa de hormigón o a la estructura de acero con pernos de anclaje.
- A continuación, proceda de forma similar con las paredes de madera que se encuentran en la parte superior.
La pared de madera deberá estabilizarse por otros medios (puntales) hasta que los conectores BFOB y TFOB estén totalmente fijados.
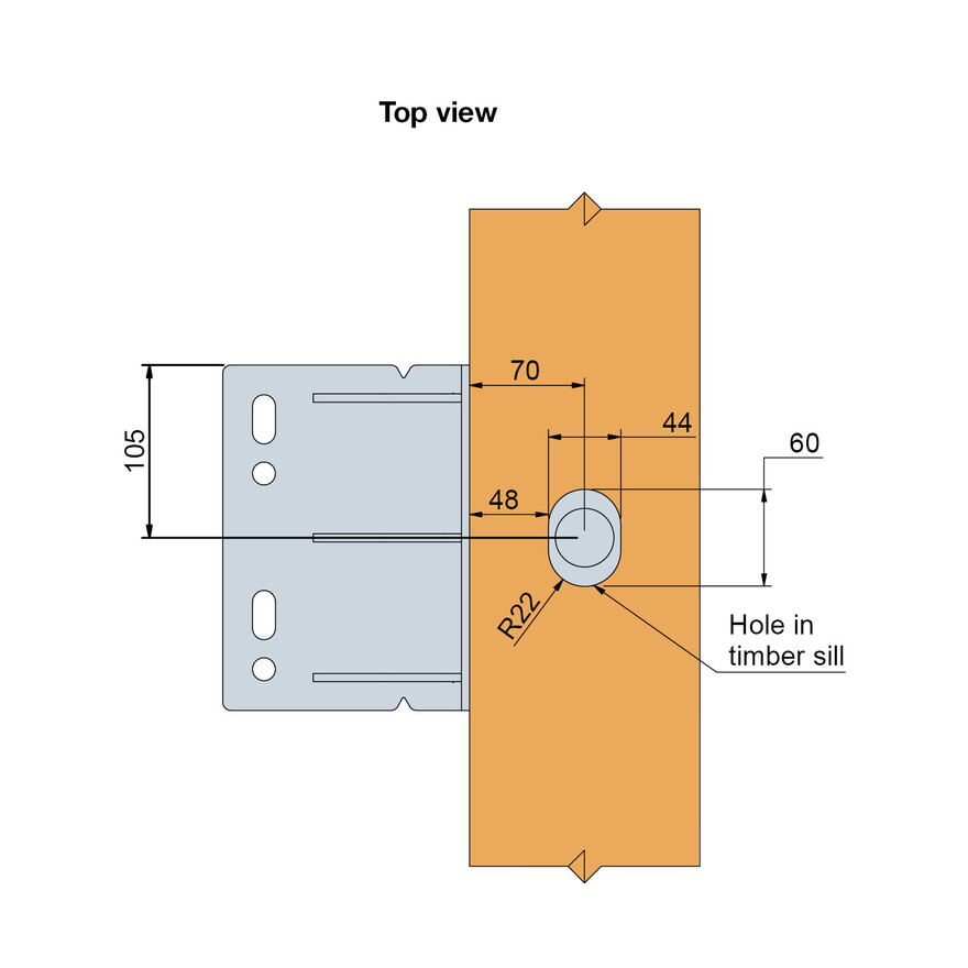
Se perforará el umbral de madera inferior para permitir que el perno del TFOB lo atraviese. (Compruebe el patrón de perforación)
- Dimensiones mínimas del umbral de madera: 45 x 140 mm
- Distancia horizontal máxima entre el borde del hormigón y el borde del umbral de madera: 40 mm
- Distancia vertical máxima entre los umbrales de madera: 40 mm