En todos los agujeros debe colocarse una punta anillada de Ø4,0 x 50 mm. Las fibras de la madera quedarán perpendiculares a la carga descendente.
Clavado sobre pilar :
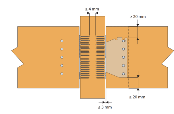
Se trata de un clavado parcial. Las puntas deben colocarse según se muestra en el esquema adjunto. Las fibras del elemento principal quedarán paralelas a la carga descendente
Instalación :
Una sola cara : anchura ≥ 160 mm
Doble caras
Meta Navigation es-ES
Legal Info
Sobre Simpson Strong-Tie®
Simpson Strong-Tie ofrece productos y tecnologías que ayudan a diseñar y construir estructuras más seguras y resistentes.
Como pioneros en el sector de la construcción y líder mundial en soluciones estructurales, tenemos una pasión sin igual por resolver problemas a través de una ingeniería hábil y una innovación reflexionada. Nuestro compromiso de proponer productos y tecnologías de construcción cada vez mejores y el apoyo a nuestros clientes con un servicio y una asistencia excepcionales han sido los elementos centrales de nuestra misión desde 1956.