Pasador de anclaje opción n.º 7 - Acero inoxidable A4
El pasador de anclaje FM-753 A4 de diámetro M8 a M16 es una solución eficaz para fijar elementos a soportes de hormigón no fisurado o piedra, en exteriores.
Detalles de producto
Características
Materia
- Acero inoxidable A4
Ventajas
Ahorro de tiempo:
- Expansión inmediata
- Montaje a través del elemento a fijar, Ø del agujero = Ø del taco
- Tuerca y arandela premontadas
- Amplia gama
Rendimientos:
- Seis dientes y bordes antideslizantes para una mejor adherencia a la pared del orificio
- Gran espesor de los tres segmentos expansibles
Aplicaciones
Aplicación
- Fijaciones estructurales
- Fachada
- Barandilla
- Estribos de estructura
Soportes
- Hormigón no fisurado,
- Piedra natural
Datos técnicos
Dimensiones
| Modelo | Product Reference | NOBB nr. [NOBB nr.] | Dimensiones [ØxL] [mm] | Thread length | Espesor máx. de la pieza a fijar con prof. de anclaje estándar [mm] | Esp. Máx. de la pieza a fijar con la prof. de anclaje reducida [mm] | Ø máx. agujero de la pieza a fijar [mm] | Ø agujero x profundidad en el soporte [mm] | Profundidad de anclaje mín. [mm] | Ctd. por caja | Peso [kg] |
|---|---|---|---|---|---|---|---|---|---|---|---|
| 7532000806500 | FM-753 A4 | 60743009 | M8x65 | 38 | 7 | 15 | 9 | 8x60 | 40 | 100 | 0.027 |
| 7532000807500 | FM-753 A4 | 60743010 | M8x75 | 48 | 15 | 25 | 9 | 8x60 | 40 | 100 | 0.03 |
| 7532000809000 | FM-753 A4 | - | M8x90 | 63 | 30 | 40 | 9 | 8x60 | 40 | 100 | 0.035 |
| 7532001007500 | FM-753 A4 | 60743013 | M10x75 | 43 | 5 | 20 | 12 | 10x70 | 50 | 50 | 0.052 |
| 7532001009000 | FM-753 A4 | 60743014 | M10x90 | 55 | 20 | 35 | 12 | 10x70 | 50 | 50 | 0.059 |
| 7532001012000 | FM-753 A4 | 60743015 | M10x120 | 85 | 50 | 65 | 12 | 10x70 | 50 | 50 | 0.074 |
| 7532001210000 | FM-753 A4 | 60743016 | M12x100 | 58 | 10 | 25 | 14 | 12x85 | 60 | 50 | 0.093 |
| 7532001211000 | FM-753 A4 | 60743017 | M12x110 | 68 | 20 | 35 | 14 | 12x85 | 60 | 50 | 0.1 |
| 7532001213500 | FM-753 A4 | 60743018 | M12x135 | 93 | 45 | 60 | 14 | 12x85 | 60 | 25 | 0.12 |
| 7532001617500 | FM-753 A4 | - | M16x175 | 88 | 60 | 80 | 18 | 16x115 | 85 | 20 | 0.28 |
*) Serie corta con profundidad de anclaje reducida
**) Sin marcado CE
Design capacities - single anchor - no edge distances
| Modelo | Product Reference | Dimensiones [ØxL] [mm] | Design capacities - single anchor - no edge distances | ||||||||
|---|---|---|---|---|---|---|---|---|---|---|---|
| Design capacity - Non-cracked concrete (3) | |||||||||||
| Tension - NRd (1) | Shear - VRd (1-2) | Bending moment MRd [Nm] | |||||||||
| C20/25 [kN] | C30/37 [kN] | C40/50 [kN] | C50/60 [kN] | C20/25 [kN] | C30/37 [kN] | C40/50 [kN] | C50/60 [kN] | ||||
| 7532000806500 | FM-753 A4 | M8x65 | 5 | 5.85 | 6.6 | 7.1 | 8.3 | - | - | - | 18.04 |
| 7532000807500 | FM-753 A4 | M8x75 | 5 | 5.85 | 6.6 | 7.1 | 8.3 | - | - | - | 18.04 |
| 7532000809000 | FM-753 A4 | M8x90 | 5 | 5.85 | 6.6 | 7.1 | 8.3 | - | - | - | 18.04 |
| 7532001007500 | FM-753 A4 | M10x75 | 8 | 9.76 | 11.28 | 12.4 | 11.6 | - | - | - | 36.84 |
| 7532001009000 | FM-753 A4 | M10x90 | 8 | 9.76 | 11.28 | 12.4 | 11.6 | - | - | - | 36.84 |
| 7532001012000 | FM-753 A4 | M10x120 | 8 | 9.76 | 11.28 | 12.4 | 11.6 | - | - | - | 36.84 |
| 7532001210000 | FM-753 A4 | M12x100 | 15.2 | 18.544 | 21.432 | 23.56 | 20.6 | 20.6 | 20.6 | 20.6 | 63.9 |
| 7532001211000 | FM-753 A4 | M12x110 | 15.2 | 18.544 | 21.432 | 23.56 | 20.6 | 20.6 | 20.6 | 20.6 | 63.9 |
| 7532001213500 | FM-753 A4 | M12x135 | 15.2 | 18.544 | 21.432 | 23.56 | 20.6 | 20.6 | 20.6 | 20.6 | 63.9 |
| 7532001617500 | FM-753 A4 | M16x175 | 23.3 | 28.426 | 32.853 | 36.115 | 38.4 | 38.4 | 38.4 | 38.4 | 162.4 |
1. The design loads loads have been calculated using the partial safety factors for resistances stated in ETA-approval(s). The loading figures are valid for unreinforced concrete and reinforced concrete with a rebar spacing s ≥ 15 cm (any diameter) or with a rebar spacing s ≥ 10 cm, if the rebar diameter is 10mm or smaller.
2. The figures for shear are based on a single anchor without influence of concrete edges. For anchorages close to edges (c ≤ max [10 hef; 60d]) the concrete edge failure shall be checked per ETAG 001, Annex C, design method A.
3. Concrete is considered non-cracked when the tensile stress within the concrete is\sigmaL +\sigmaR ≤ 0. In the absence of detailed verification\sigmaR = 3 N/mm² can be assumed (\sigmaL equals the tensile stress within the concrete induced by external loads, anchors loads included).
*) Short series with reduced embedment depth
**) Not covered by CE certification
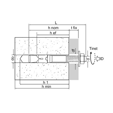
Instalación
Montaje
Installation data
| Modelo | Product Reference | Dimensiones [ØxL] [mm] | Ø drilling hole [d0] [mm] | Min. drill depth [h1] [mm] | Ø drilling fixture [df] [mm] | Wrench size [SW] [mm] | Installation torque [Tinst] [Nm] | Embedment depth [hef] [mm] | Min. support thickness [hmin] [mm] |
|---|---|---|---|---|---|---|---|---|---|
| 7532000806500 | FM-753 A4 | M8x65 | 8 | 60 | 9 | 13 | 15 | 40 | 100 |
| 7532000807500 | FM-753 A4 | M8x75 | 8 | 60 | 9 | 13 | 15 | 40 | 100 |
| 7532000809000 | FM-753 A4 | M8x90 | 8 | 60 | 9 | 13 | 15 | 40 | 100 |
| 7532001007500 | FM-753 A4 | M10x75 | 10 | 70 | 12 | 17 | 25 | 50 | 100 |
| 7532001009000 | FM-753 A4 | M10x90 | 10 | 70 | 12 | 17 | 25 | 50 | 100 |
| 7532001012000 | FM-753 A4 | M10x120 | 10 | 70 | 12 | 17 | 25 | 50 | 100 |
| 7532001210000 | FM-753 A4 | M12x100 | 12 | 85 | 14 | 19 | 50 | 60 | 120 |
| 7532001211000 | FM-753 A4 | M12x110 | 12 | 85 | 14 | 19 | 50 | 60 | 120 |
| 7532001213500 | FM-753 A4 | M12x135 | 12 | 85 | 14 | 19 | 50 | 60 | 120 |
| 7532001617500 | FM-753 A4 | M16x175 | 16 | 115 | 18 | 24 | 100 | 85 | 170 |
* Not included in the approval
Spacings and Edge distances
| Modelo | Product Reference | Dimensiones [ØxL] [mm] | Min. edge distance [cmin] [mm] | Min. spacing [smin] [mm] | Characteristic edge distance [ccr,N] [mm] | Characteristic spacing(5) - Scr,N [scr,N] [mm] |
|---|---|---|---|---|---|---|
| 7532000806500 | FM-753 A4 | M8x65 | 60 | 60 | 60 | 120 |
| 7532000807500 | FM-753 A4 | M8x75 | 60 | 60 | 60 | 120 |
| 7532000809000 | FM-753 A4 | M8x90 | 60 | 60 | 60 | 120 |
| 7532001007500 | FM-753 A4 | M10x75 | 75 | 75 | 75 | 150 |
| 7532001009000 | FM-753 A4 | M10x90 | 75 | 75 | 75 | 150 |
| 7532001012000 | FM-753 A4 | M10x120 | 75 | 75 | 75 | 150 |
| 7532001210000 | FM-753 A4 | M12x100 | 90 | 90 | 90 | 180 |
| 7532001211000 | FM-753 A4 | M12x110 | 90 | 90 | 90 | 180 |
| 7532001213500 | FM-753 A4 | M12x135 | 90 | 90 | 90 | 180 |
| 7532001617500 | FM-753 A4 | M16x175 | 130 | 130 | 130 | 260 |